E-SV.ru
8 (800) 301-35-05 Прием
заказов через
интернет-магазин
круглосуточно
8 (926) 515-56-55
Уточнить наличие запчасти
info@e-sv.ru
Корзина: 0 руб.
Проверить
статус заказа
Каталог

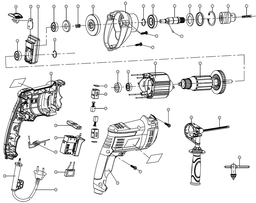
Запчасти для дрели Patriot FD 850 h (120301464)

АртикулНазваниеПроизводительСрок отгрузкиЦена
1 013541400 Патрон быстрозажимной Patriot
Уточнить наличие
2 013541374 Винт патрона (левая резьба) Patriot
Уточнить наличие
3-9, 12-19, 24 013541384 Редуктор в сборе Patriot
Уточнить наличие
4 013541375 Шайба редуктора Patriot
Уточнить наличие
5 013541376 Сальник редуктора Patriot
Уточнить наличие
6 013541377 Втулка редуктора Patriot
Уточнить наличие
8 013541378 Пружина ударника Patriot
Уточнить наличие
11, 46 013541379 Корпус (комплект) Patriot
Уточнить наличие
14 013541380 Ударник (зубчатый) Patriot
Уточнить наличие
17 013541381 Шестерня редуктора Patriot
Уточнить наличие
18 013541382 Выходной вал (шпиндель) Patriot
Уточнить наличие
19 013541383 Корпус редуктора Patriot
Уточнить наличие
21 013541385 Пластина ударника Patriot
Уточнить наличие
22 013541386 Клавиша ударника Patriot
Уточнить наличие
23 013541387 Сальник крышки редуктора Patriot
Уточнить наличие
24 013541388 Крышка редуктора Patriot
Уточнить наличие
27 013541389 Ротор (L45/Ф35, кол.Ф25) Patriot
Уточнить наличие
28 013541390 Статор (L45/Ф61) Patriot
Уточнить наличие
30, 35 013541391 Щеткодержатели (комплект) Patriot
Уточнить наличие
31 013541392 Пружина щеткодержателя Patriot
Уточнить наличие
34 013541393 Щетка угольная (комплект 2 шт)(5х10х17) Patriot
Уточнить наличие
38 013541394 Переключатель реверса Patriot
Уточнить наличие
40 013541395 Выключатель Patriot
Уточнить наличие
41 013541396 Конденсатор 0.22 мФа Patriot
Уточнить наличие
45 013541397 Сетевой кабель с вилкой Patriot
Уточнить наличие
47, 49-50 013541398 Вспомогательная рукоятка в сборе Patriot
Уточнить наличие
48 013541399 Глубиномер Patriot
Уточнить наличие
Найдено товаров: 27
1
Запчасти для дрели Patriot FD 850 h (120301464)
Корзина: 0 руб.
Проверить
статус заказа
Вход | Регистрация
Введите номер заказа
Введите номер своего заказа, что бы узнать его текущий статус.
Что бы получить доступ к расширенным функциям, пройдите не сложную регистрацию. Зарегистрироваться